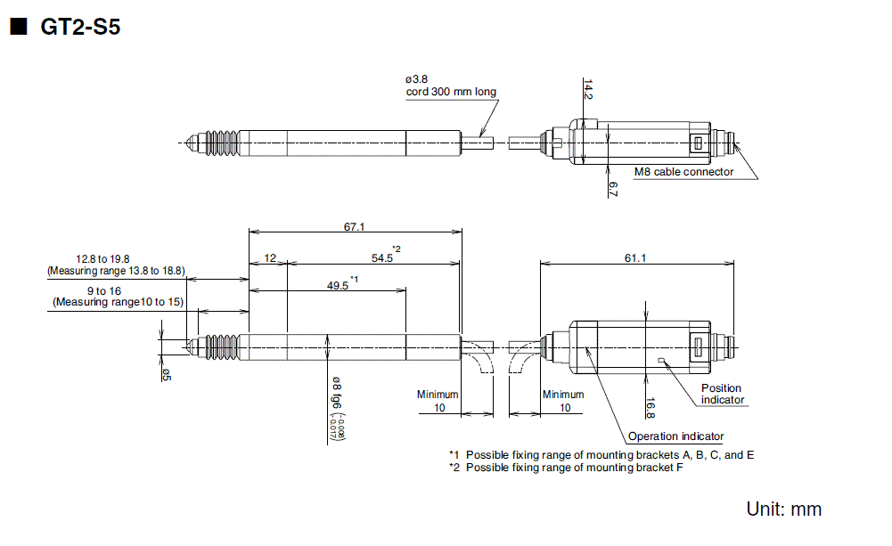
Rozměry

* Stáhněte si soubor CAD nebo návod k produktu, kde naleznete větší obrázek/text a další podrobnosti.

gt2-s5_dimension_01.gif

GT2-S5 Dimension