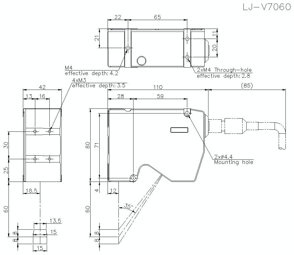
Rozměry

* Stáhněte si soubor CAD nebo návod k produktu, kde naleznete větší obrázek/text a další podrobnosti.

lj-v7060_dimension_01.gif

LJ-V7060 Dimension