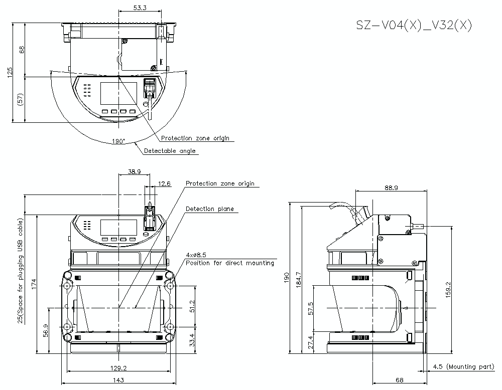
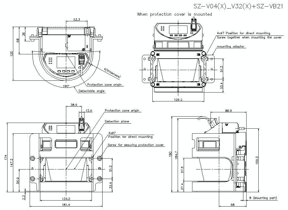
Rozměry

* Stáhněte si soubor CAD nebo návod k produktu, kde naleznete větší obrázek/text a další podrobnosti.

sz-v04_x_v32_x_dimension_01.gif

SZ-V04/X/V32/X Dimension

szv04_v32_x_vb21_dimension_01.gif

SZV04-V32/X/VB21 Dimension