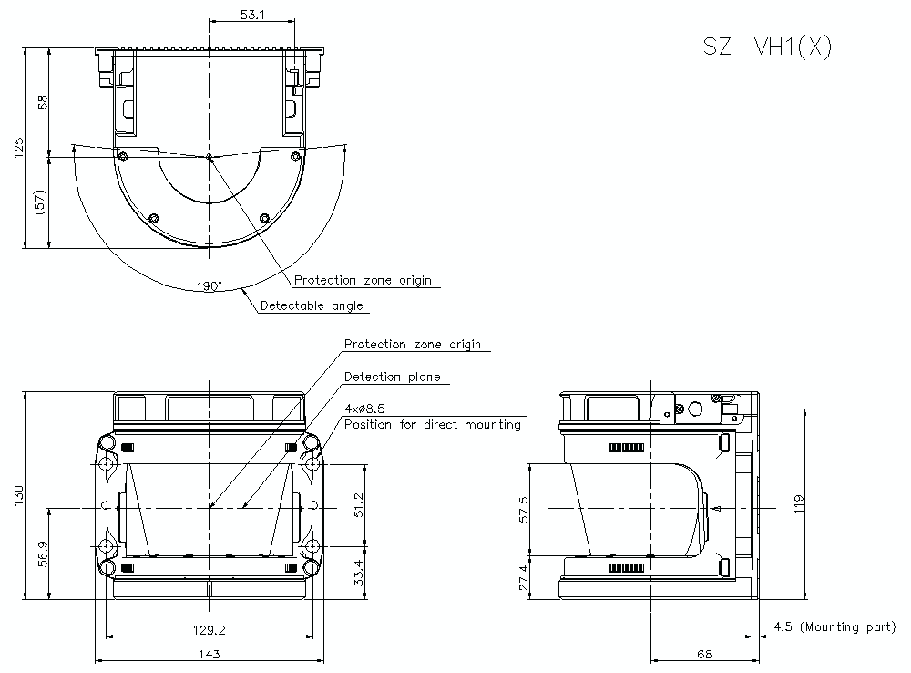
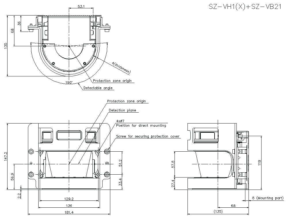
Rozměry

* Stáhněte si soubor CAD nebo návod k produktu, kde naleznete větší obrázek/text a další podrobnosti.

sz-vh1_vh1x_dimension_01.gif

SZ-VH1/VH1X Dimension

szvh1_x_vb21_dimension_01.gif

SZVH1-X/VB21 Dimension