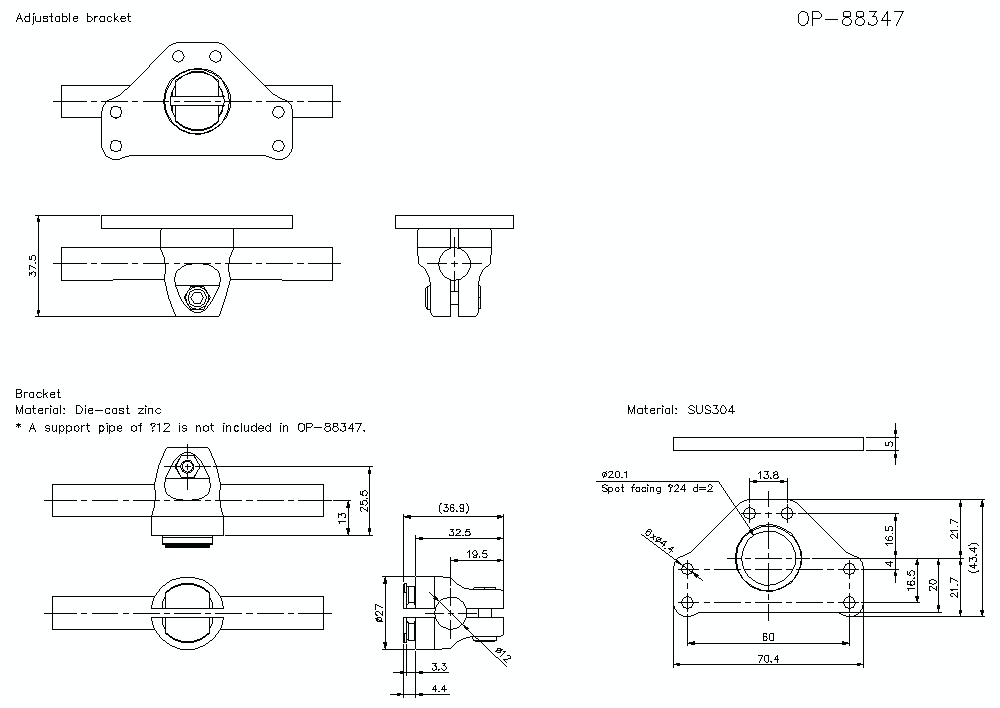
Rozměry

* Stáhněte si soubor CAD nebo návod k produktu, kde naleznete větší obrázek/text a další podrobnosti.

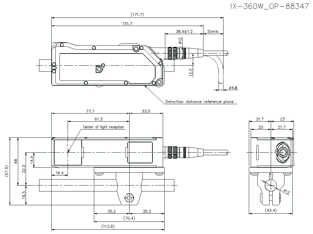
IX-HEAD/OP/88347 Dimension

OP-88347 Dimension

IX-360W/OP-88347