Rozměry

* Stáhněte si soubor CAD nebo návod k produktu, kde naleznete větší obrázek/text a další podrobnosti.

OP-87772/OP-87775/LR-TB2000 Dimension

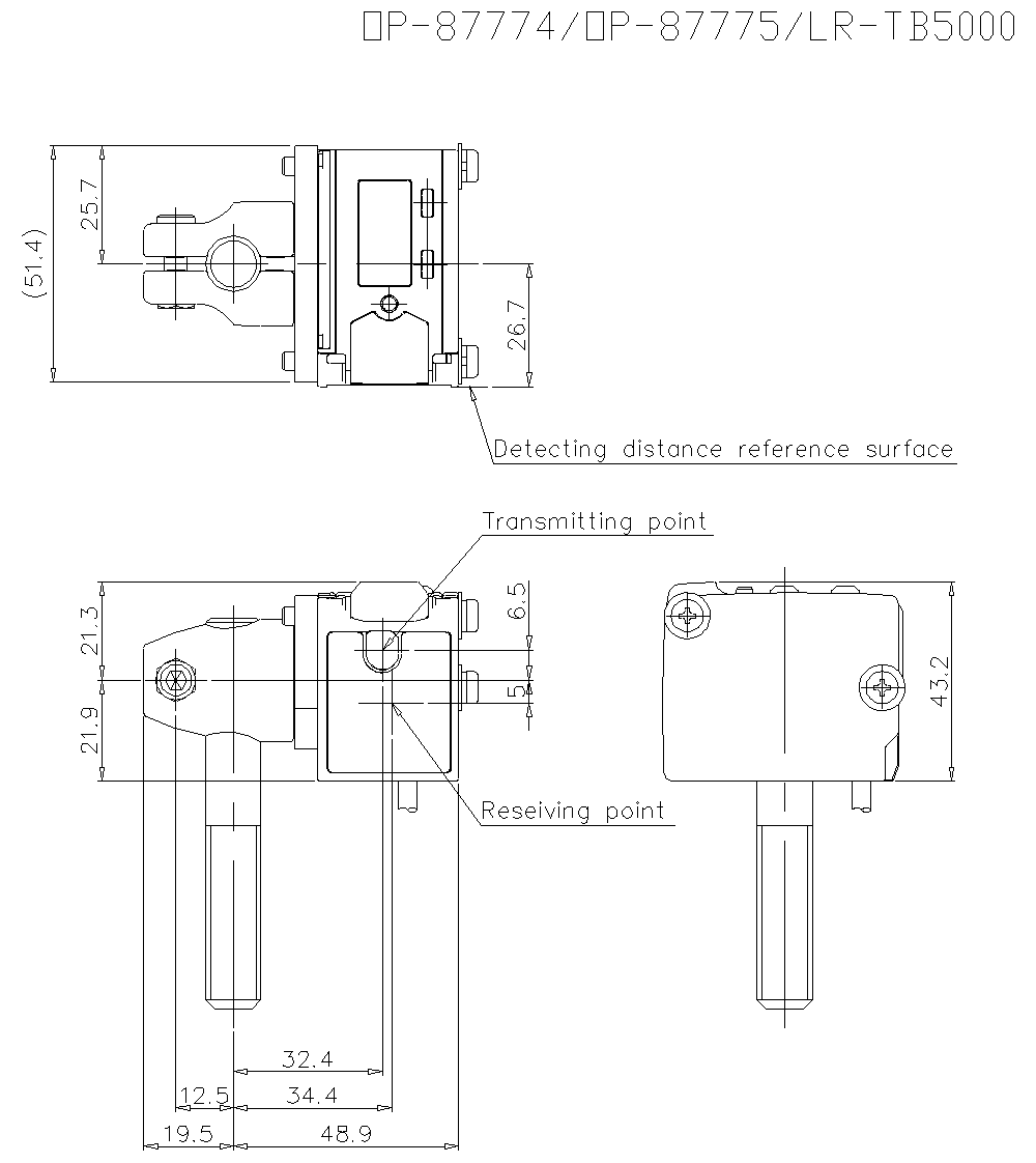
OP-87774/OP-87775/LR-TB5000 Dimension

OP-87775 Dimension

OP-87775/OP/87772 Dimension

op-87775_op-87774_2_dimension_01.gif

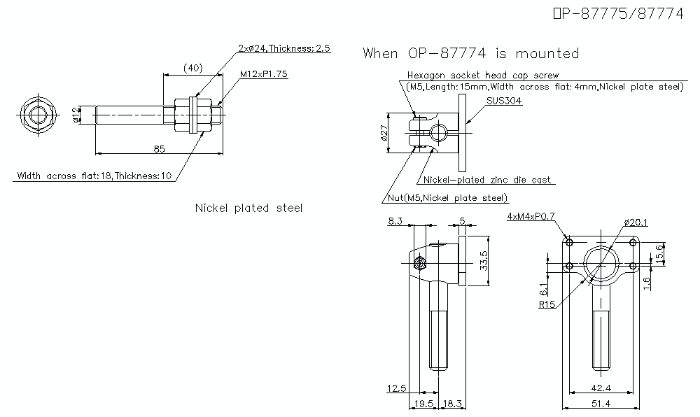
OP-87775/OP-87774 Dimension