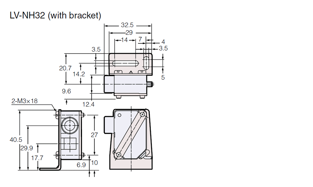
Rozměry

* Stáhněte si soubor CAD nebo návod k produktu, kde naleznete větší obrázek/text a další podrobnosti.

LV-NH32_01 Dimension

LV-NH32_02 Dimension