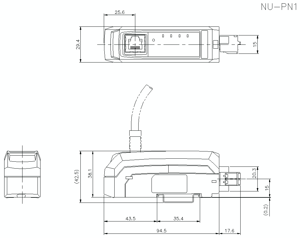
Rozměry

* Stáhněte si soubor CAD nebo návod k produktu, kde naleznete větší obrázek/text a další podrobnosti.

nu-pn1_dimension_01.gif

NU-PN1 Dimension