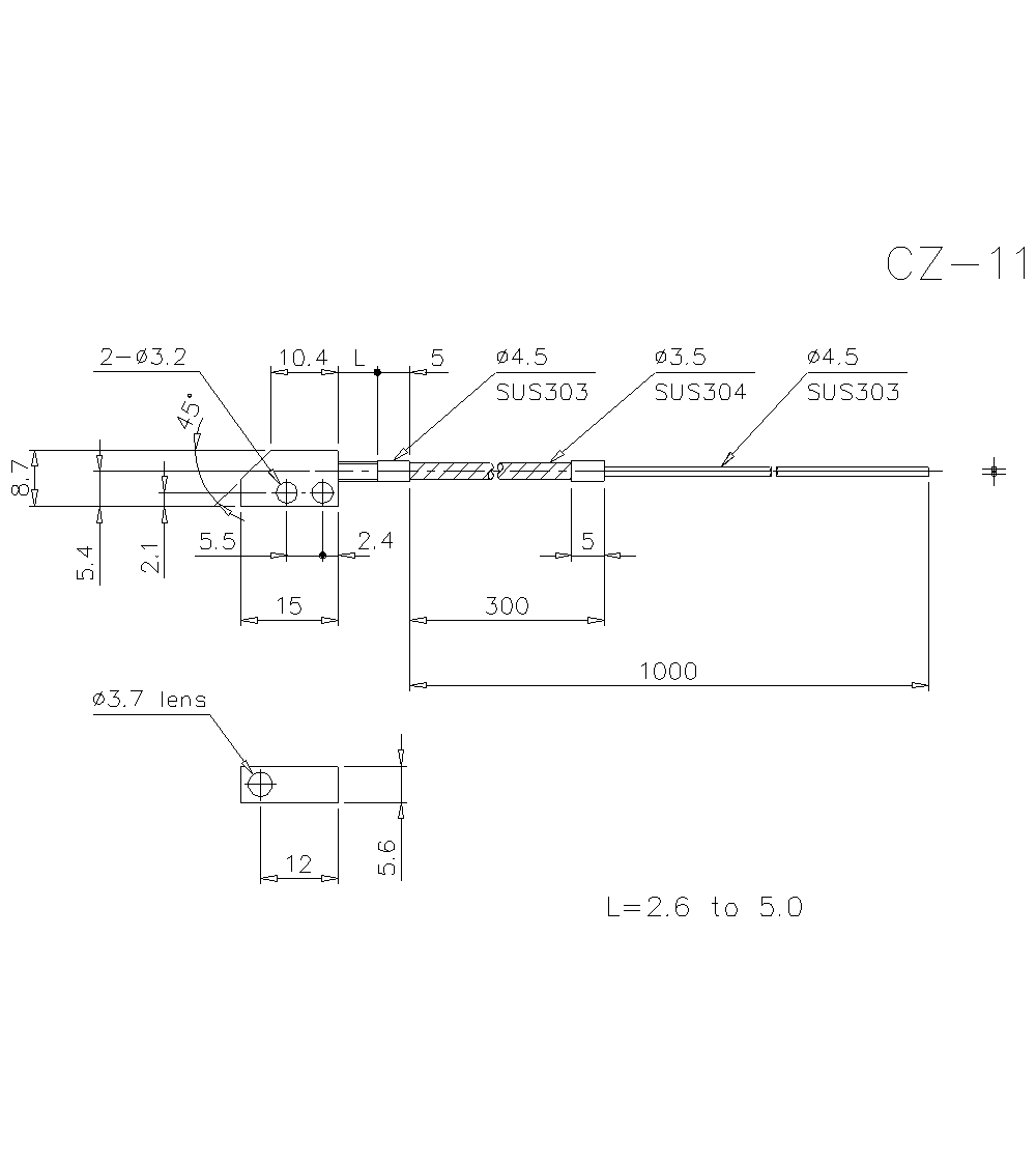
Rozměry

* Stáhněte si soubor CAD nebo návod k produktu, kde naleznete větší obrázek/text a další podrobnosti.

CZ-11 Dimension