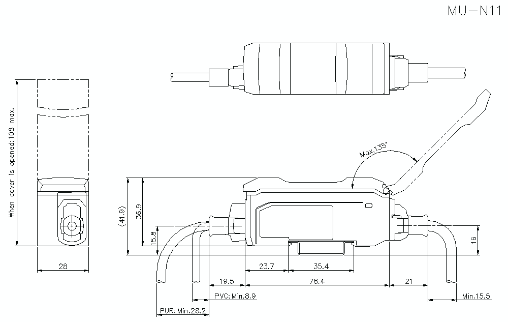
Rozměry

* Stáhněte si soubor CAD nebo návod k produktu, kde naleznete větší obrázek/text a další podrobnosti.

mu-n11_dimension_01.gif

MU-N11 Dimension