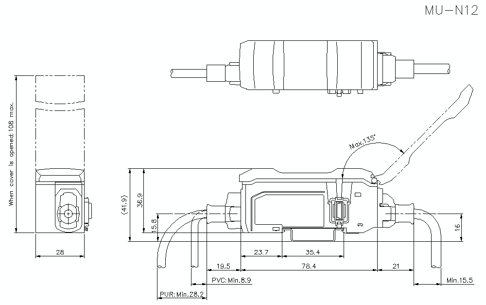
Rozměry

* Stáhněte si soubor CAD nebo návod k produktu, kde naleznete větší obrázek/text a další podrobnosti.

mu-n12_nu_dimension_01.gif

MU-N12/NU Dimension

mu-n12_dimension_01.gif

MU-N12 Dimension