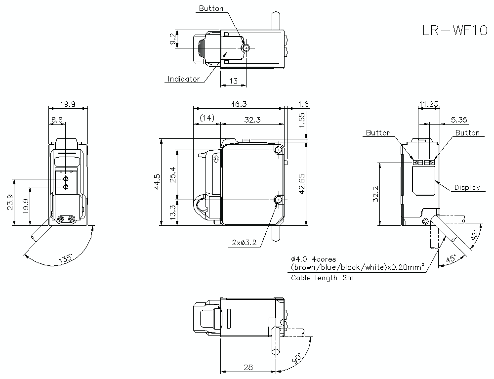
Rozměry

* Stáhněte si soubor CAD nebo návod k produktu, kde naleznete větší obrázek/text a další podrobnosti.

lr-wf10_dimension_01.gif

LR-WF10 Dimension