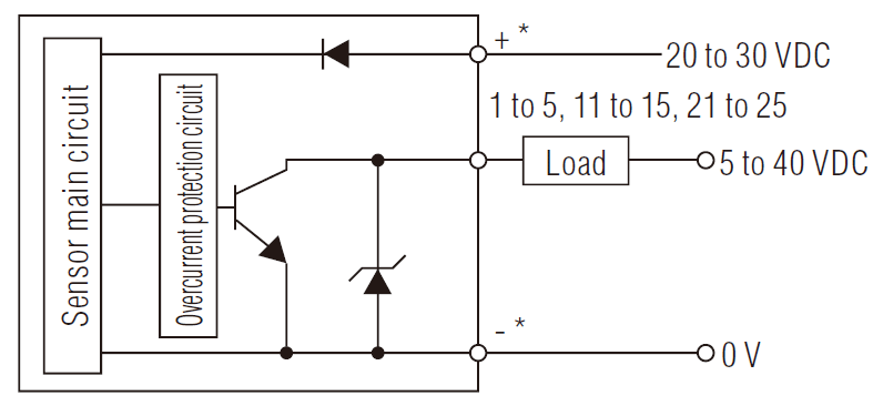
Schéma zapojení obvodu vstupů/výstupů

* Stáhněte si soubor CAD nebo návod k produktu, kde naleznete větší obrázek/text a další podrobnosti.

GT2-100N IO circuit

GT2-100N IO circuit