Rozměry

* Stáhněte si soubor CAD nebo návod k produktu, kde naleznete větší obrázek/text a další podrobnosti.

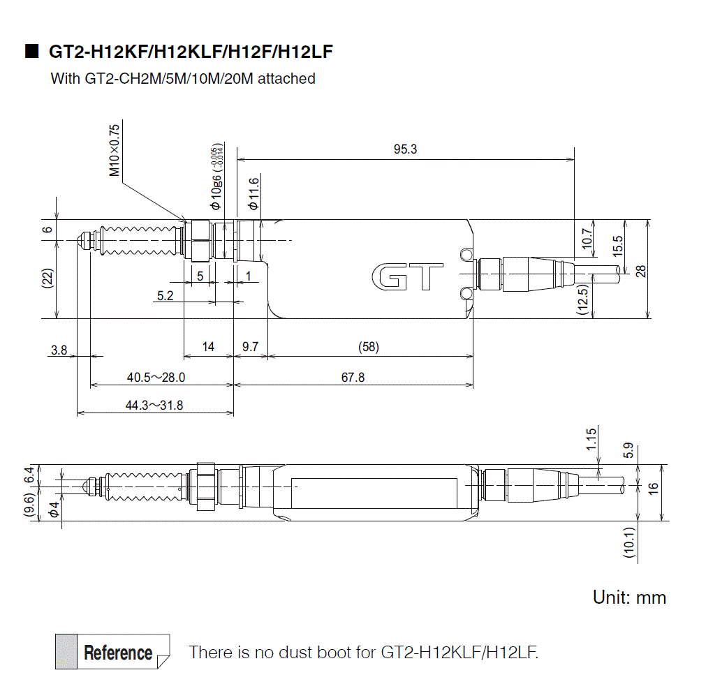
GT2-H12KF/H12KLF/H12F/H12LF Dimension