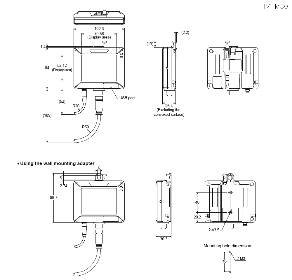
Rozměry

* Stáhněte si soubor CAD nebo návod k produktu, kde naleznete větší obrázek/text a další podrobnosti.

iv-m30_3_dimension_02.gif

IV-M30 Dimension

iv-m30_3_dimension_01.gif

IV-M30 Dimension