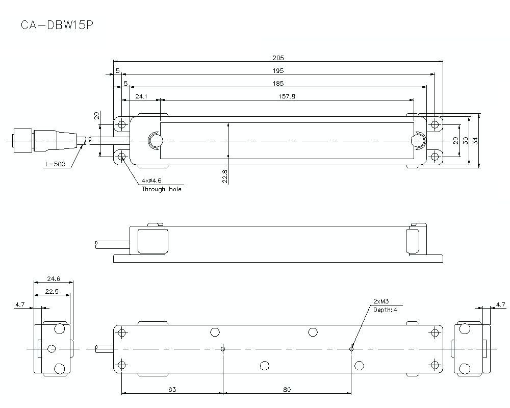
Rozměry

* Stáhněte si soubor CAD nebo návod k produktu, kde naleznete větší obrázek/text a další podrobnosti.

CA-DBW15P Dimension