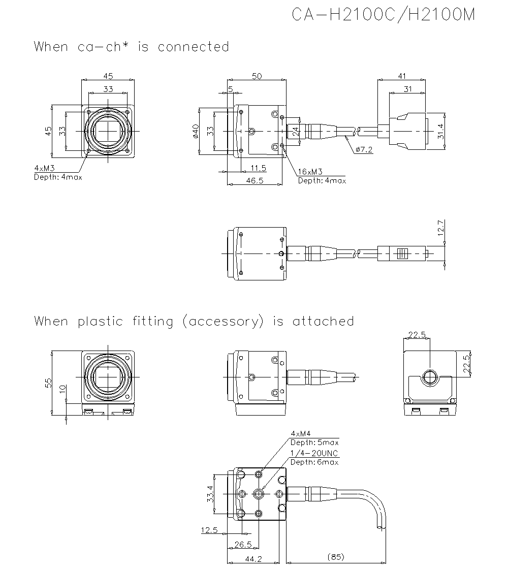
Rozměry

* Stáhněte si soubor CAD nebo návod k produktu, kde naleznete větší obrázek/text a další podrobnosti.

CA-H2100C/M Dimension