E/A-Anschlussplan

* Wenn der Text schwierig zu lesen ist, lesen Sie bitte in den CAD-Daten oder in der Bedienungsanleitung nach.

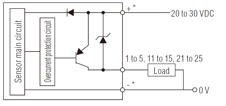
Ausgangsschaltkreis des Messverstärkers mit
großer Anzeige GT2-100P/GT2-E3P
(Stift-Nummern 1 bis 5, 11 bis 15, 21 bis 25)

GT2-100P IO circuit

* Die +/- Klemmen sind nur beim GT2-100P vorhanden.
Beim GT2-E3P sind sie nicht vorhanden.

Eingangsschaltkreis des Messverstärkers mit
großer Anzeige GT2-100P/GT2-E3P
(Stift-Nummern 6 bis 10, 16 bis 20, 26 bis 30)

GT2-100P IO circuit

* The + terminal is provided in the GT2-100P only.
It is not provided in the GT2-E3P.