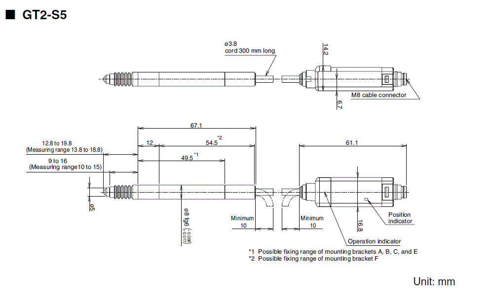
Abmessungen

* Wenn der Text schwierig zu lesen ist, lesen Sie bitte in den CAD-Daten oder in der Bedienungsanleitung nach.

gt2-s5_dimension_01.gif

GT2-S5 Dimension