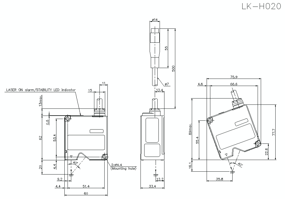
Abmessungen

* Wenn der Text schwierig zu lesen ist, lesen Sie bitte in den CAD-Daten oder in der Bedienungsanleitung nach.

lk-h022k_h027k_2_dimension_01.gif

LK-H022K Dimension