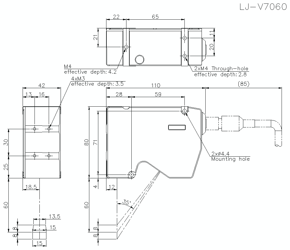
Abmessungen

* Wenn der Text schwierig zu lesen ist, lesen Sie bitte in den CAD-Daten oder in der Bedienungsanleitung nach.

lj-v7060_dimension_01.gif

LJ-V7060 Dimension