Abmessungen

* Wenn der Text schwierig zu lesen ist, lesen Sie bitte in den CAD-Daten oder in der Bedienungsanleitung nach.

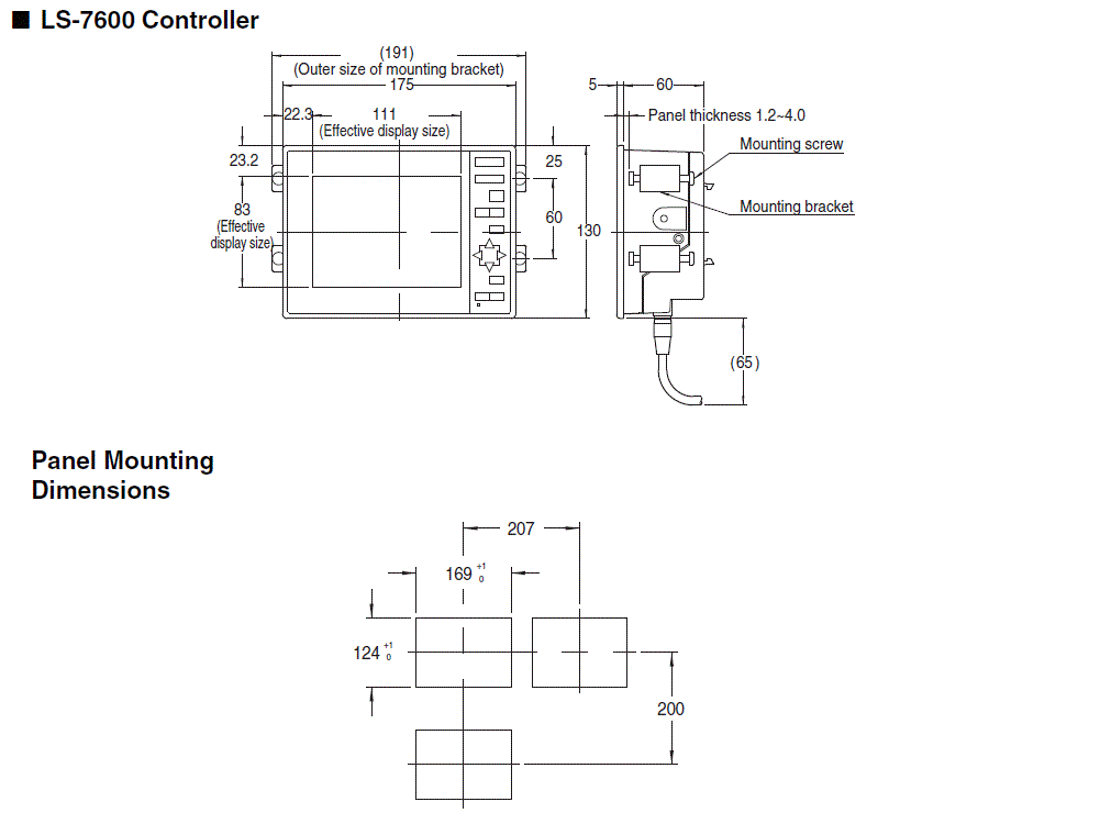
LS-7600 Dimension