Abmessungen

* Wenn der Text schwierig zu lesen ist, lesen Sie bitte in den CAD-Daten oder in der Bedienungsanleitung nach.

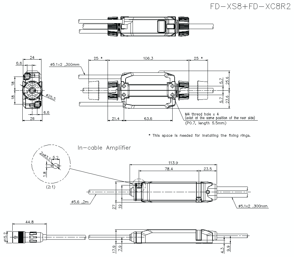
FD-XS8/FD-XC8R2 Dimension

FD-XS8/FD-XC8R2/OP-88294 Dimension