Abmessungen

* Wenn der Text schwierig zu lesen ist, lesen Sie bitte in den CAD-Daten oder in der Bedienungsanleitung nach.

FD-XS8/FD-XC8M Dimension

FD-XS8/FD-XC8R1 Dimension

FD-XS8/FD-XC8R2 Dimension

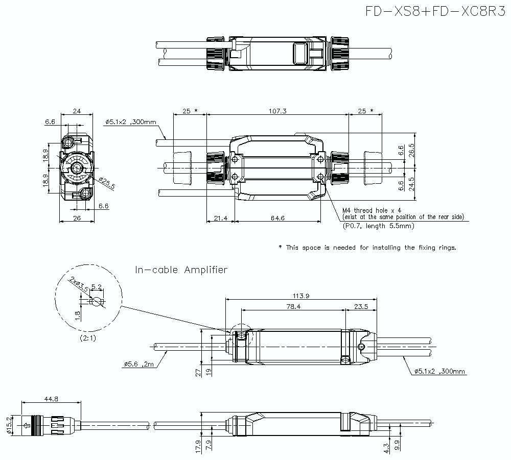
FD-XS8/FD-XC8R3 Dimension

FD-XS8/FD-XC8M/OP-88297 Dimension

FD-XS8/FD-XC8R1/OP-88294 Dimension

FD-XS8/FD-XC8R2/OP-88294 Dimension

FD-XS8/FD-XC8R3/OP-88294 Dimension