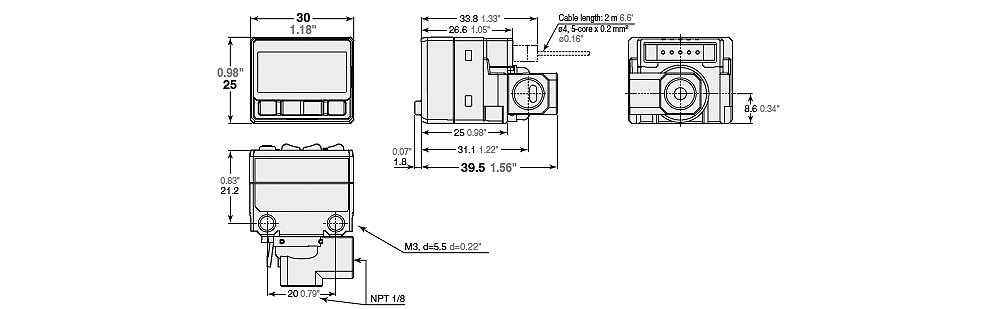
Abmessungen

* Wenn der Text schwierig zu lesen ist, lesen Sie bitte in den CAD-Daten oder in der Bedienungsanleitung nach.

AP-C30_C31_C33_dimension_01.gif

AP-C30/C31/C33 Dimension