Abmessungen

* Wenn der Text schwierig zu lesen ist, lesen Sie bitte in den CAD-Daten oder in der Bedienungsanleitung nach.

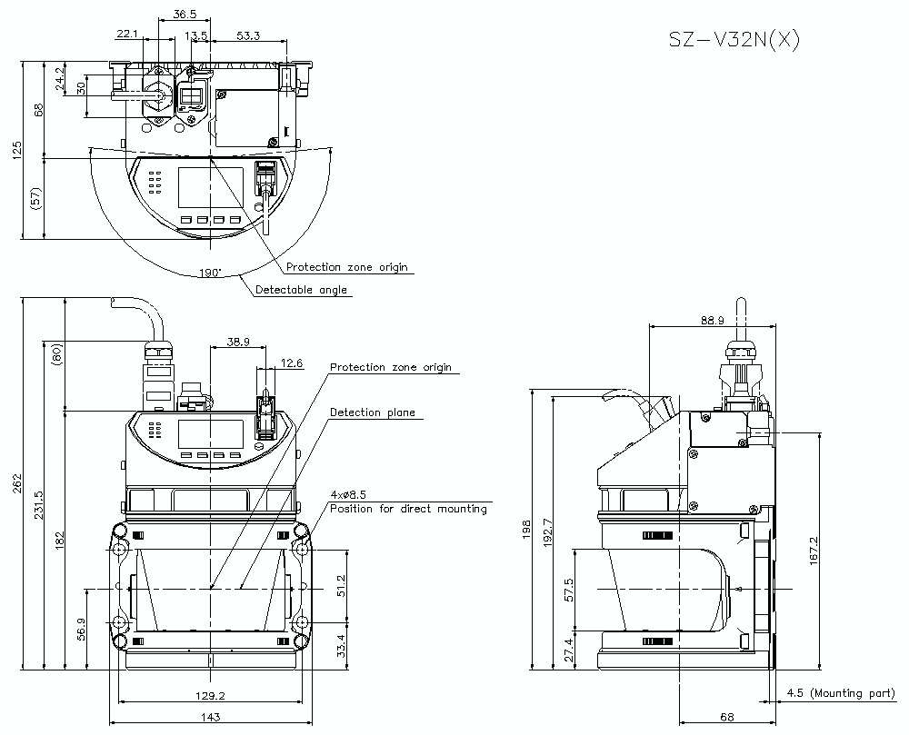
sz-v32n_x_v32n_dimension_01.gif

SZ-V32N/X/V32N Dimension

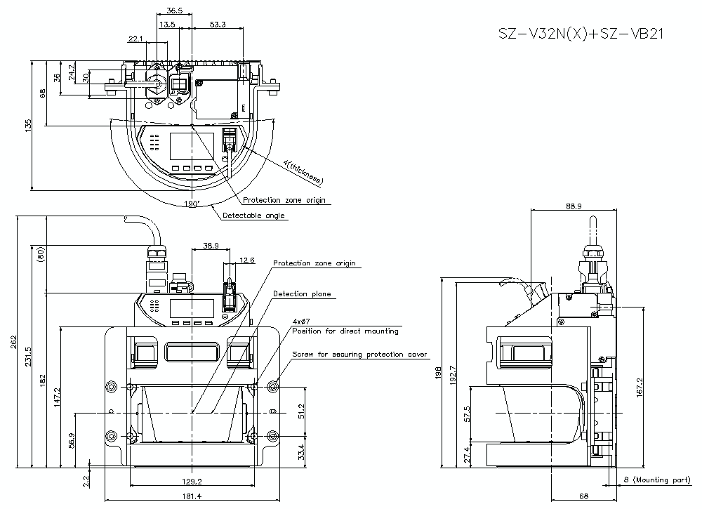
sz-v32n_x_vb21_dimension_01.gif

SZ-V32N/X/VB21 Dimension

SZ-V32N(X)/VB22 Dimension