Abmessungen

* Wenn der Text schwierig zu lesen ist, lesen Sie bitte in den CAD-Daten oder in der Bedienungsanleitung nach.

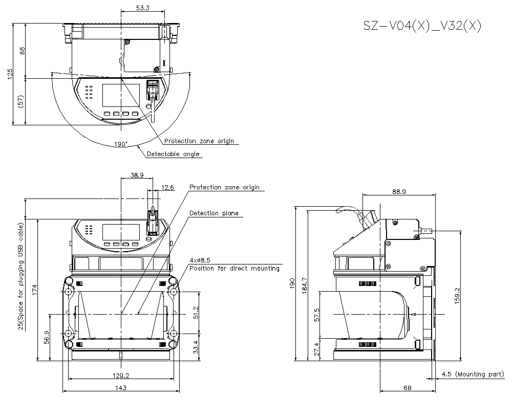
sz-v04_x_v32_x_dimension_01.gif

SZ-V04/X/V32/X Dimension

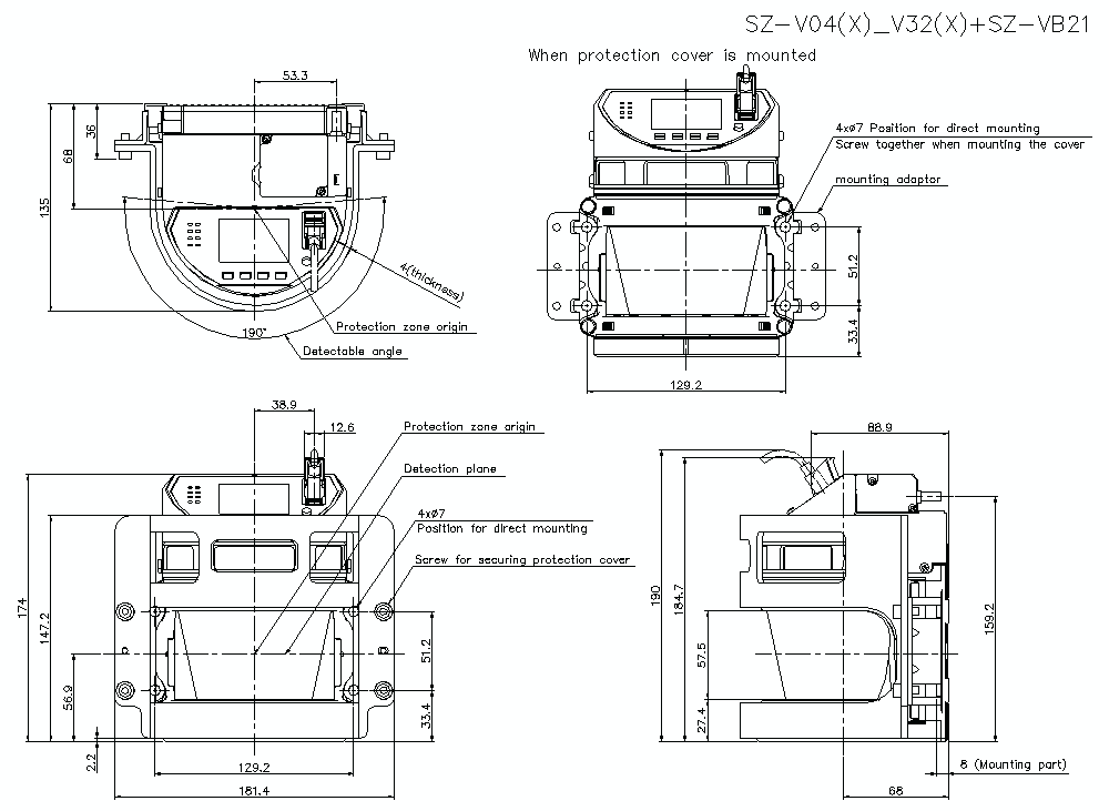
szv04_v32_x_vb21_dimension_01.gif

SZV04-V32/X/VB21 Dimension