Abmessungen

* Wenn der Text schwierig zu lesen ist, lesen Sie bitte in den CAD-Daten oder in der Bedienungsanleitung nach.

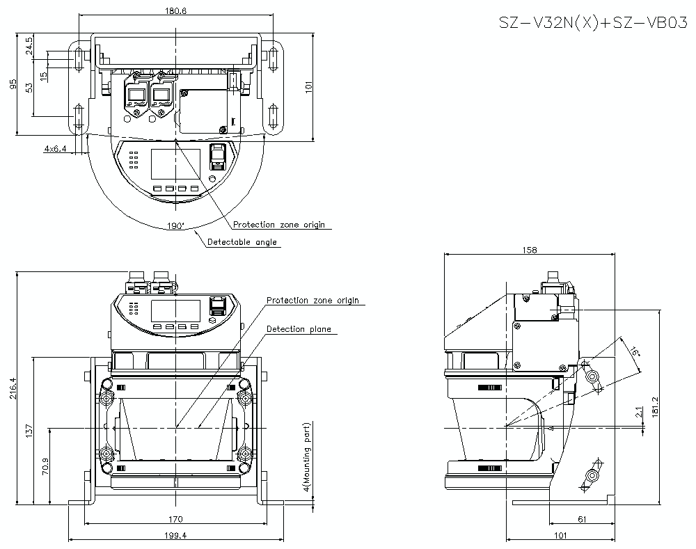
sz-v32n_x_vb03_dimension_01.gif

SZ-V32N/X/VB03 Dimension

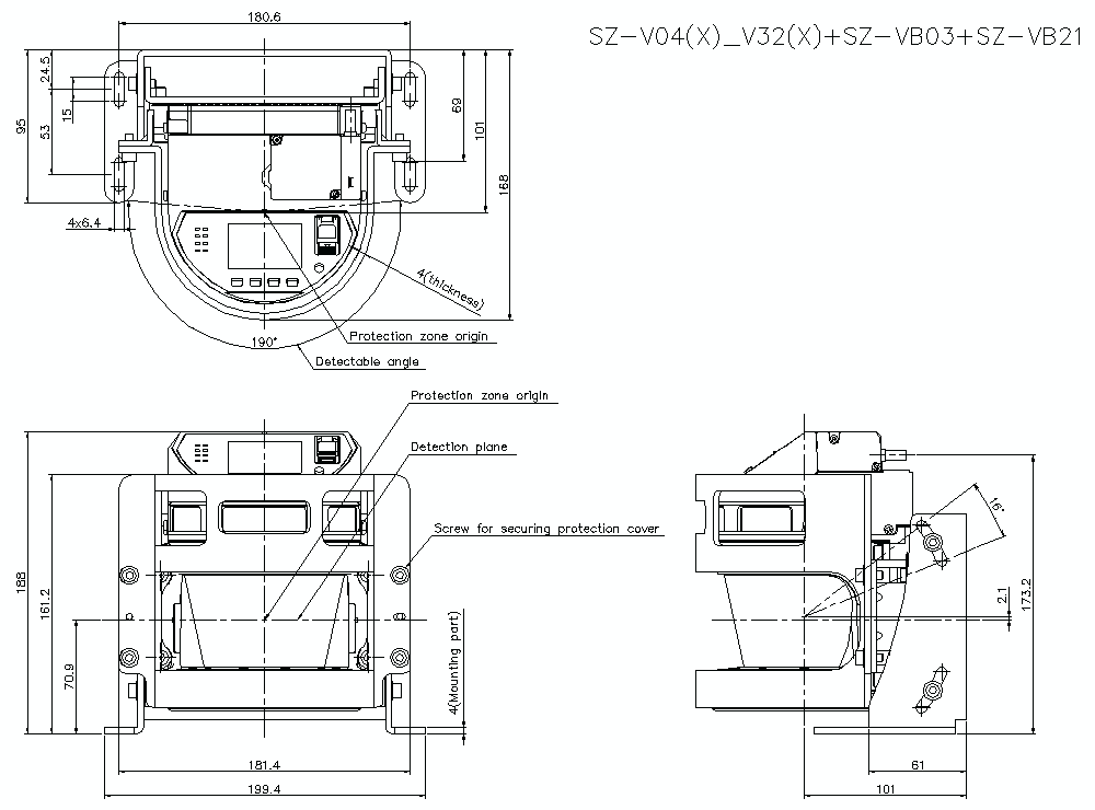
szv04_32_b03_b21_dimension_01.gif

SZV04-32/B03/B21 Dimension

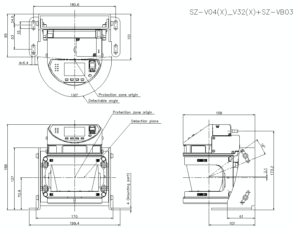
szv04_v32_x_vb03_dimension_01.gif

SZV04-V32/X/VB03 Dimension

szv32n_vb03_b21_dimension_01.gif

SZV32N-VB03/B21 Dimension

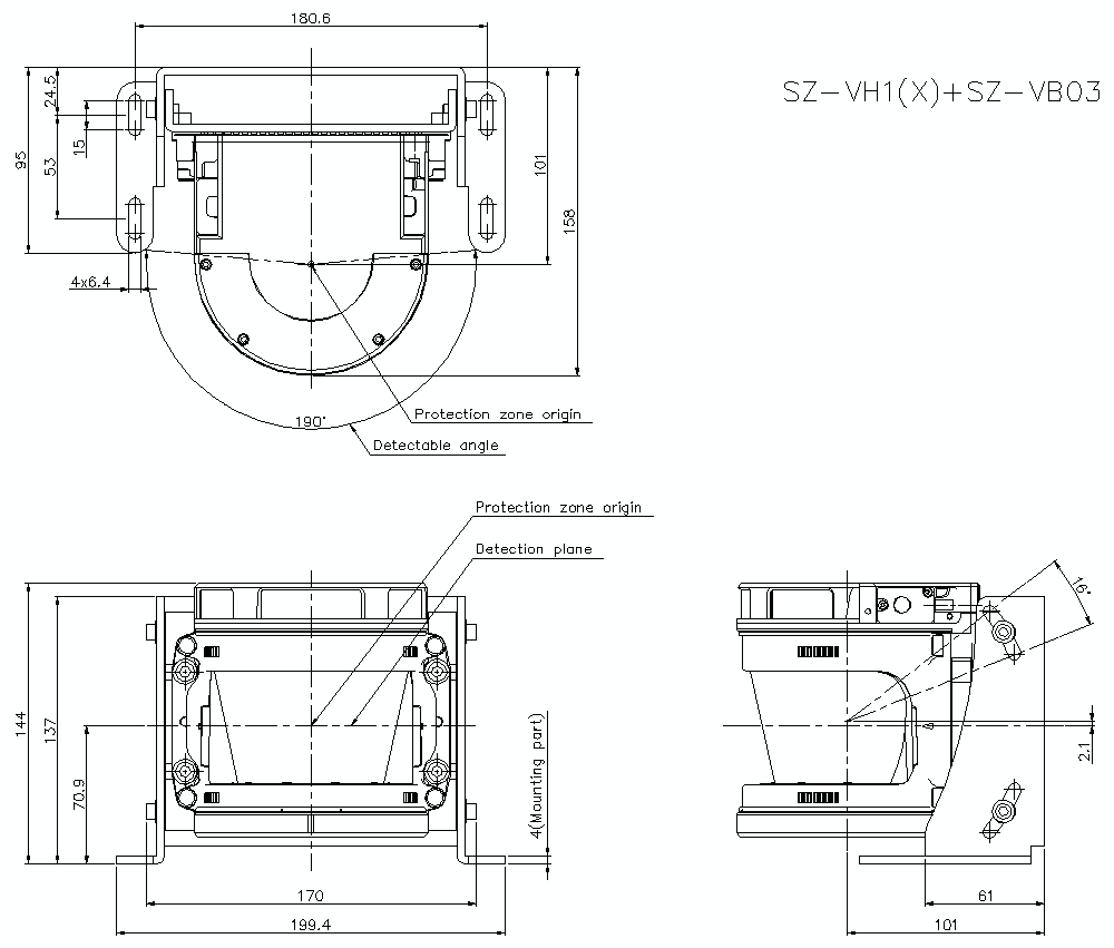
szvh1_vh1x_vb03_dimension_01.gif

SZVH1-VH1X/VB03 Dimension

szvh1_x_vb03_21_dimension_01.gif

SZVH1-X/VB03/21 Dimension