Abmessungen

* Wenn der Text schwierig zu lesen ist, lesen Sie bitte in den CAD-Daten oder in der Bedienungsanleitung nach.

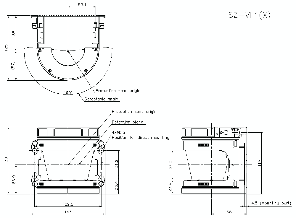
sz-vh1_vh1x_dimension_01.gif

SZ-VH1/VH1X Dimension

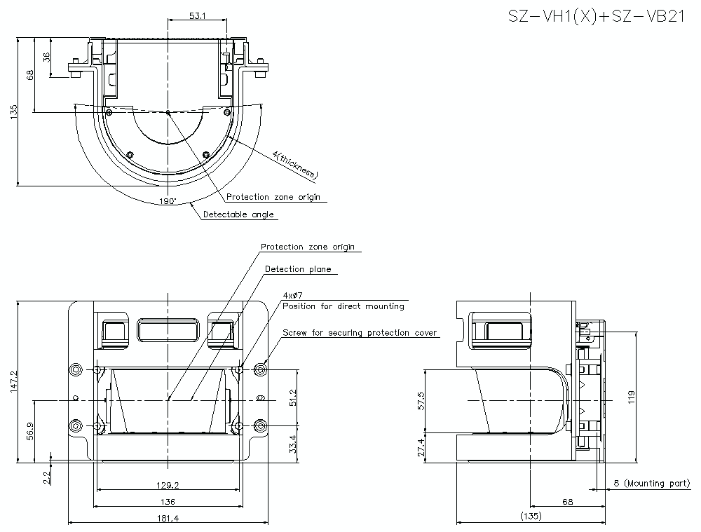
szvh1_x_vb21_dimension_01.gif

SZVH1-X/VB21 Dimension