Abmessungen

* Wenn der Text schwierig zu lesen ist, lesen Sie bitte in den CAD-Daten oder in der Bedienungsanleitung nach.

GS-1X Dimension

GS-1X/GS/B01_01 Dimension

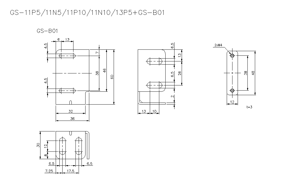
GS-1X/GS/B01_02 Dimension

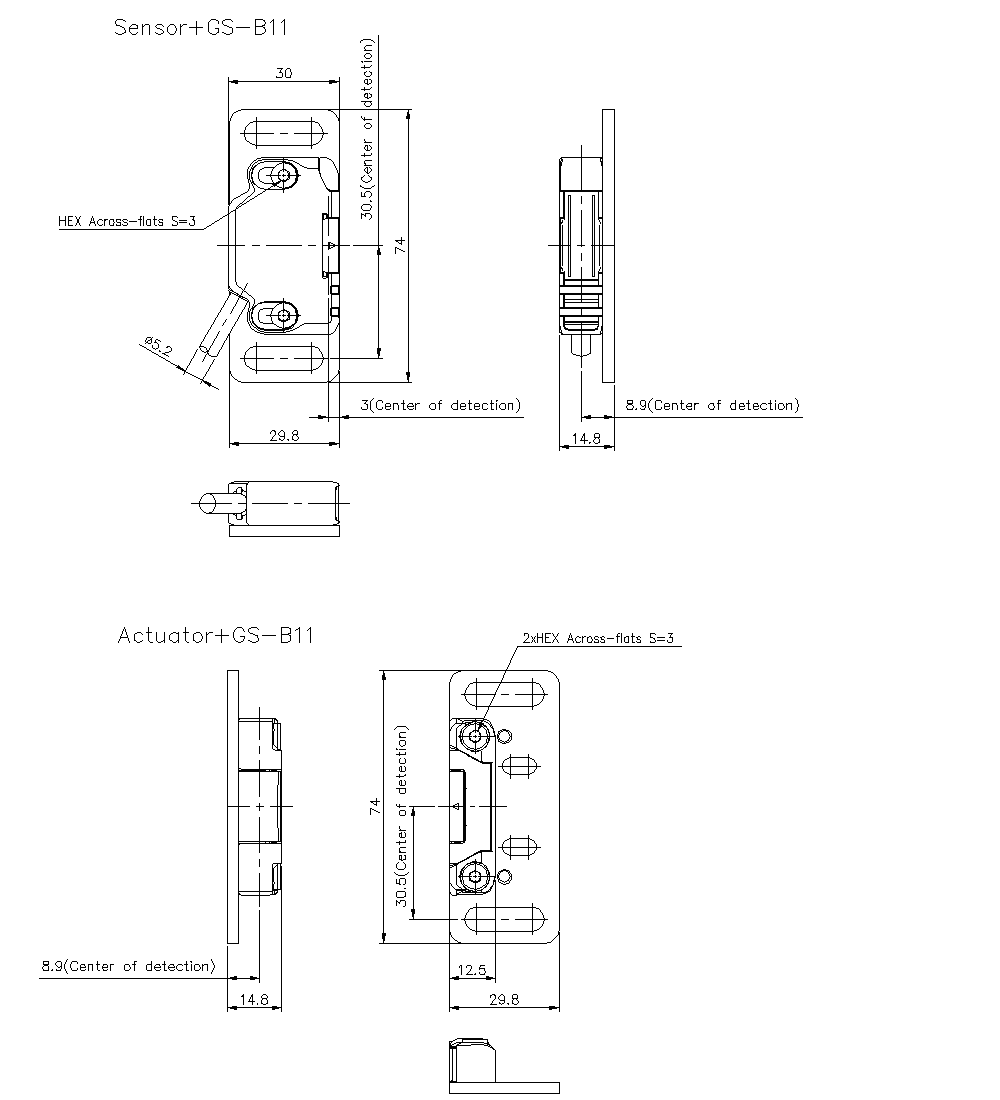
GS-1X/GS/B11_01 Dimension

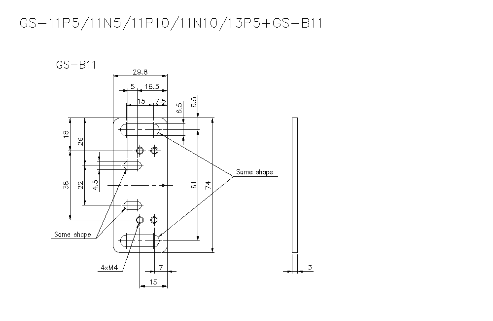
GS-1X/GS/B11_02 Dimension