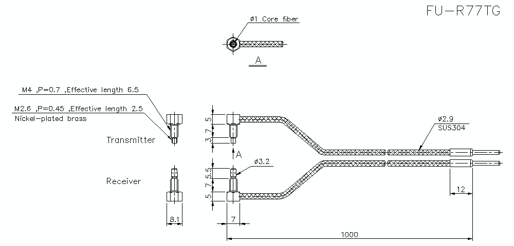
Abmessungen

* Wenn der Text schwierig zu lesen ist, lesen Sie bitte in den CAD-Daten oder in der Bedienungsanleitung nach.

fu-r77tg_dimension_01.gif

FU-R77TG Dimension