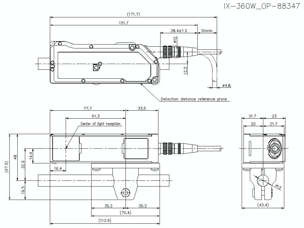
Abmessungen

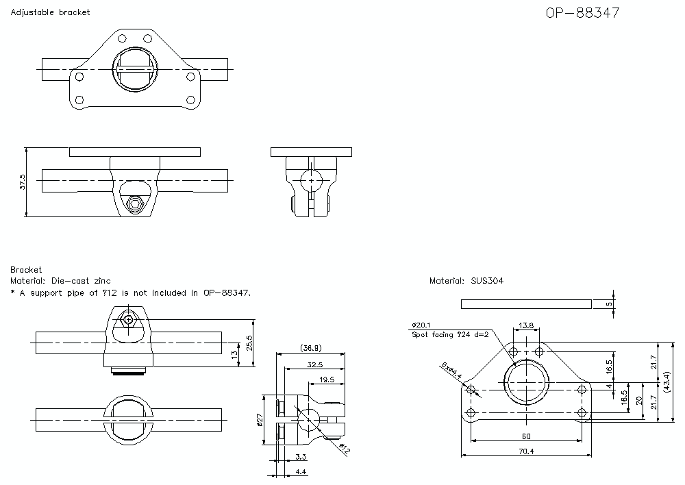
* Wenn der Text schwierig zu lesen ist, lesen Sie bitte in den CAD-Daten oder in der Bedienungsanleitung nach.

IX-HEAD/OP/88347 Dimension

OP-88347 Dimension

IX-360W/OP-88347