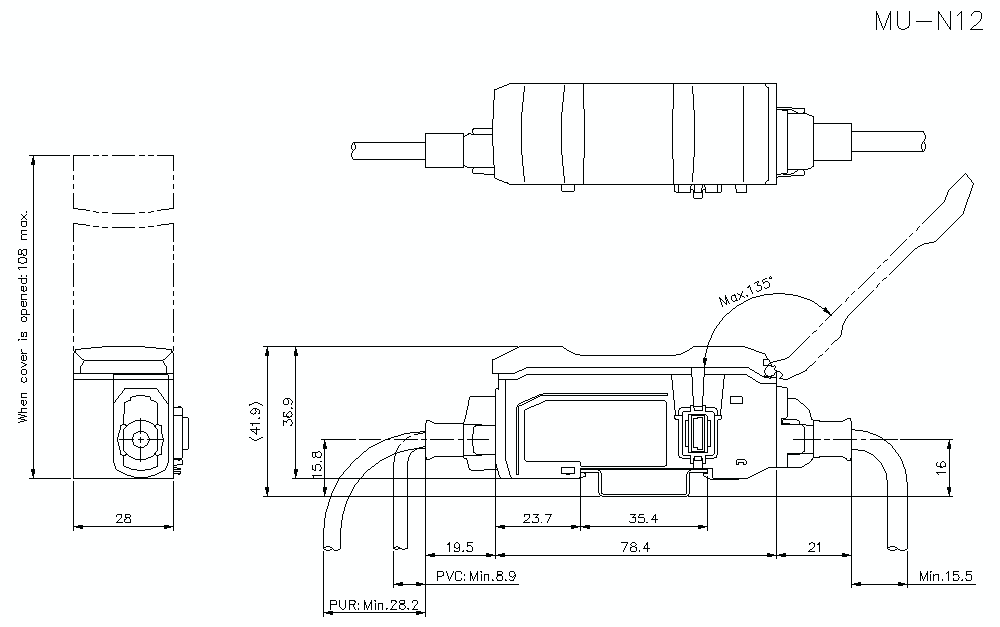
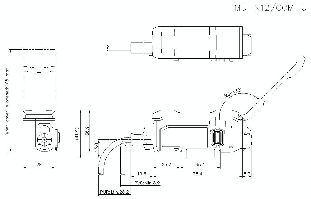
Abmessungen

* Wenn der Text schwierig zu lesen ist, lesen Sie bitte in den CAD-Daten oder in der Bedienungsanleitung nach.

mu-n12_nu_dimension_01.gif

MU-N12/NU Dimension

mu-n12_dimension_01.gif

MU-N12 Dimension