Abmessungen

* Wenn der Text schwierig zu lesen ist, lesen Sie bitte in den CAD-Daten oder in der Bedienungsanleitung nach.

op_87772_op_87775_lr_tb2000_dimension_01.gif

OP-87772/OP-87775/LR-TB2000 Dimension

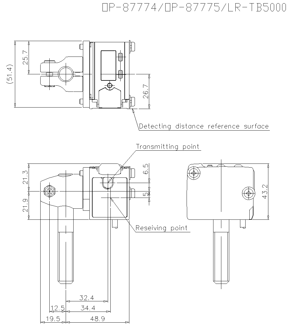
op_87774_op_87775_lr_tb5000_dimension_01.gif

OP-87774/OP-87775/LR-TB5000 Dimension

op_87775_dimension_01.gif

OP-87775 Dimension

op_87775_op_87772_dimension_01.gif

OP-87775/OP/87772 Dimension

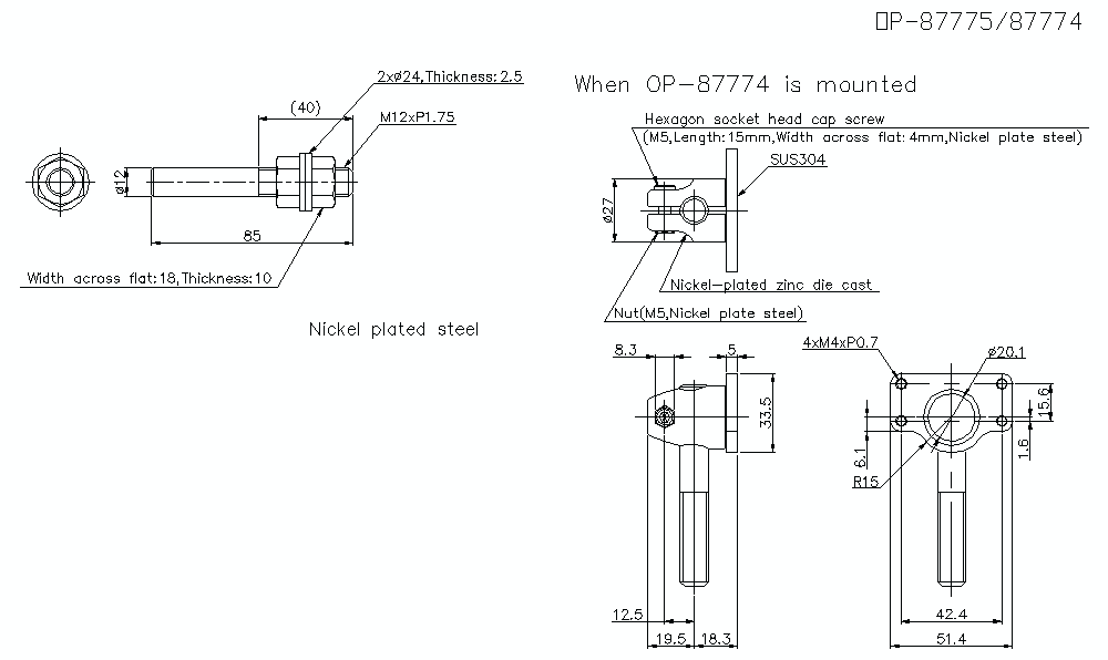
op-87775_op-87774_2_dimension_01.gif

OP-87775/OP-87774 Dimension