E/A-Anschlussplan

* Wenn der Text schwierig zu lesen ist, lesen Sie bitte in den CAD-Daten oder in der Bedienungsanleitung nach.

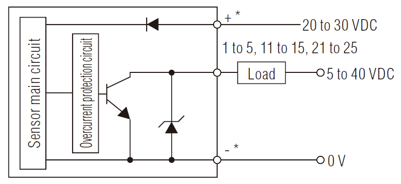
Ausgangsschaltkreis des Messverstärkers mit
großer Anzeige GT2-100N/GT2-E3N
(Stift-Nummern 1 bis 5, 11 bis 15, 21 bis 25)

GT2-100N IO circuit

* Die +/- Klemmen sind nur beim GT2-100N vorhanden.
Beim GT2-E3N sind sie nicht vorhanden.

Eingangsschaltkreis des Messverstärkers mit
großer Anzeige GT2-100N/GT2-E3N
(Stift-Nummern 6 bis 10, 16 bis 20, 26 bis 30)

GT2-100N IO circuit

* Die - Klemme ist nur beim GT2-100N vorhanden.
Beim GT2-E3N ist sie nicht vorhanden.
(Kurzschlussstrom: max. 1 mA)