Abmessungen

* Wenn der Text schwierig zu lesen ist, lesen Sie bitte in den CAD-Daten oder in der Bedienungsanleitung nach.

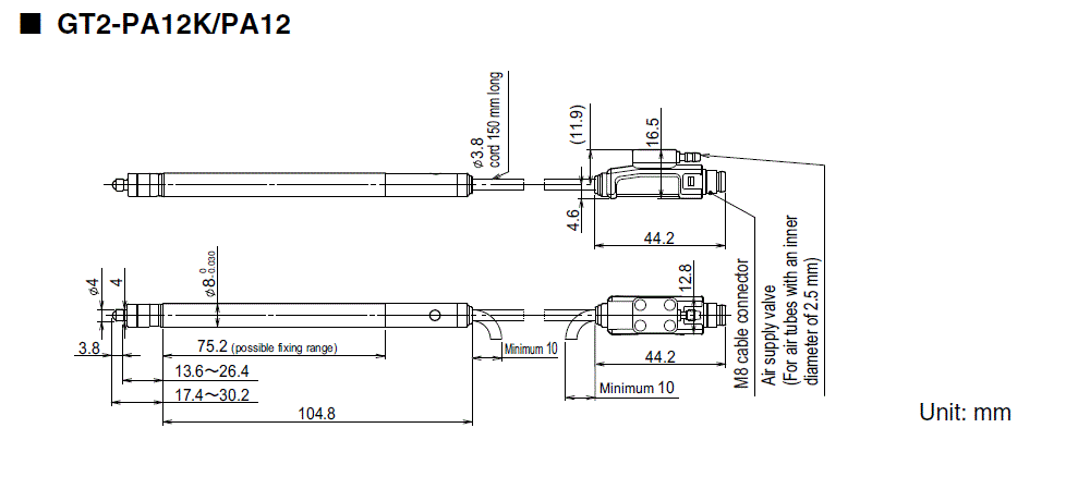
GT2-PA12_PA12K_dimension_01.gif

GT2-PA12/PA12K Dimension