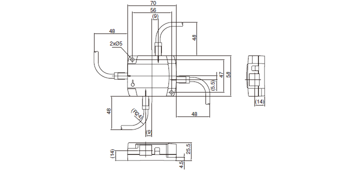
Abmessungen

* Wenn der Text schwierig zu lesen ist, lesen Sie bitte in den CAD-Daten oder in der Bedienungsanleitung nach.

op_87422_dimension_01.gif

OP-87422 Dimension