Abmessungen

* Wenn der Text schwierig zu lesen ist, lesen Sie bitte in den CAD-Daten oder in der Bedienungsanleitung nach.

IV/IV-H_SENSOR Dimension

IV/IV-H_SENSOR Dimension

IV/IV-H_SENSOR Dimension

iv-500_h500_dimension_01.gif

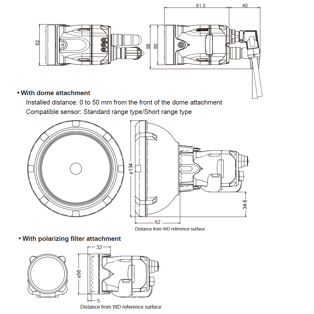
IV-H500CA/H150MA/H500MA Dimension

iv-500_h500_dimension_02.gif

IV-H500CA/H150MA/H500MA Dimension