Abmessungen

* Wenn der Text schwierig zu lesen ist, lesen Sie bitte in den CAD-Daten oder in der Bedienungsanleitung nach.

IV2-G150/G300/G500/G600/GD05/OP-87910 Dimension

IV2-G150/G300/G500/G600/GD10/OP-87910 Dimension

IV2-G150/G300/G500/G600/GD10/OP-87910_02 Dimension

IV2-G150/G300/G500/G600/OP-87910 Dimension

IV3-G500CA/IV3-G500MA/IV3-G600CA/IV3-G600MA/OP-87910 Dimension

IV3-G/GD05/OP-87910 Dimension 01

IV3-G/GD05/OP-87910 Dimension 02

IV3-G/GD05/OP-87910 Dimension 03

IV3-G/GD10/OP-87910 Dimension 01

IV3-G/GD10/OP-87910 Dimension 02

IV3-G/GD10/OP-87910 Dimension 03

IV4-G400CA/G400MA/G500CA/G500MA/G600CA/G600MA/OP-87910 Dimension

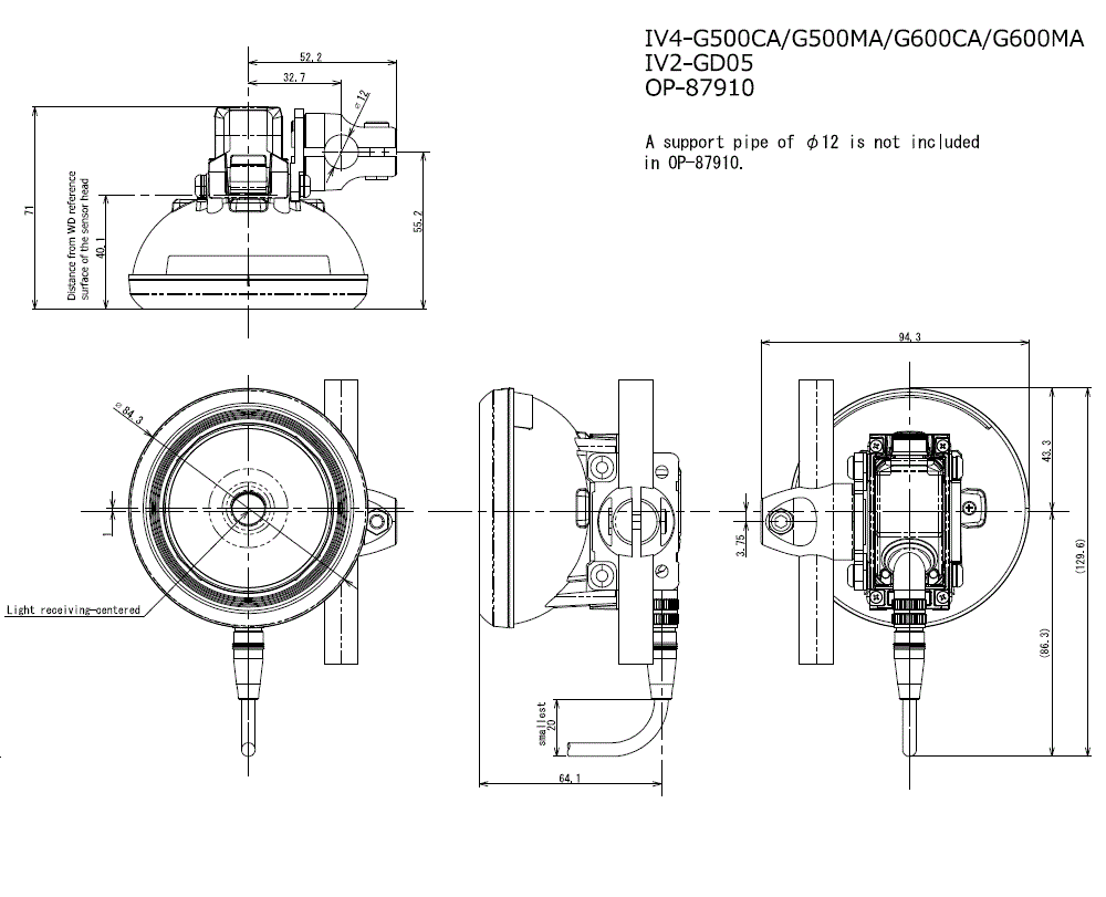
IV4-G500CA/G500MA/G600CA/G600MA/IV2-GD05/OP87910 Dimension

IV4-G500CA/G500MA/G600CA/G600MA/IV2-GD10/OP-87910 Dimension

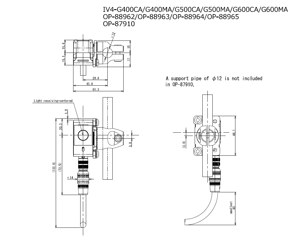
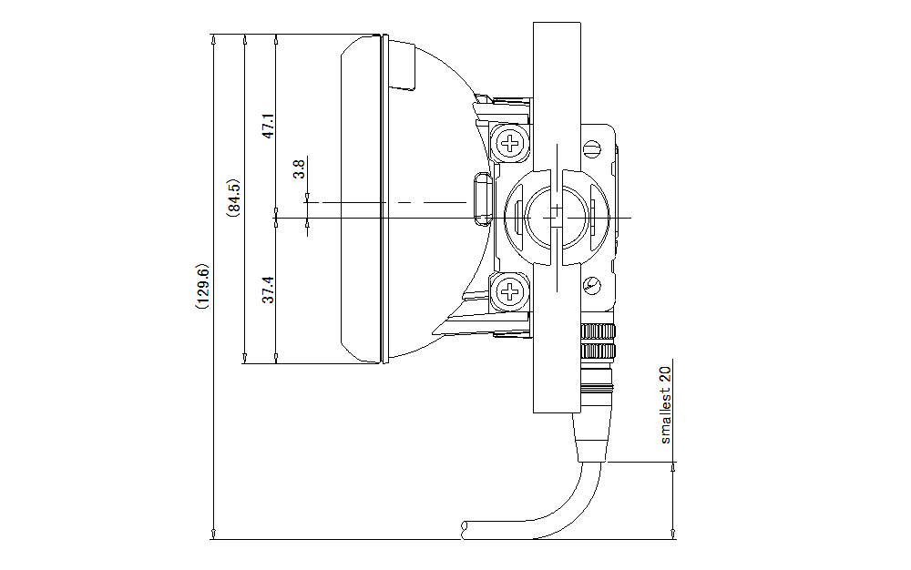
IV4-G400CA/G400MA/G500CA/G500MA/G600CA/G600MA/OP-87910/88962/88963/88964 Dimension

IV-G_CAMERA_GD05_OP-87910_dimension_01.gif

IV-G(CAMERA)/GD05/OP-87910 Dimension

IV-G_CAMERA_GD10_OP-87910_dimension_01.gif

IV-G(CAMERA)/GD10/OP-87910 Dimension

IV-G_CAMERA_OP-87910_dimension_01.gif

IV-G(CAMERA)/OP-87910 Dimension

OP-87910_dimension_01.gif

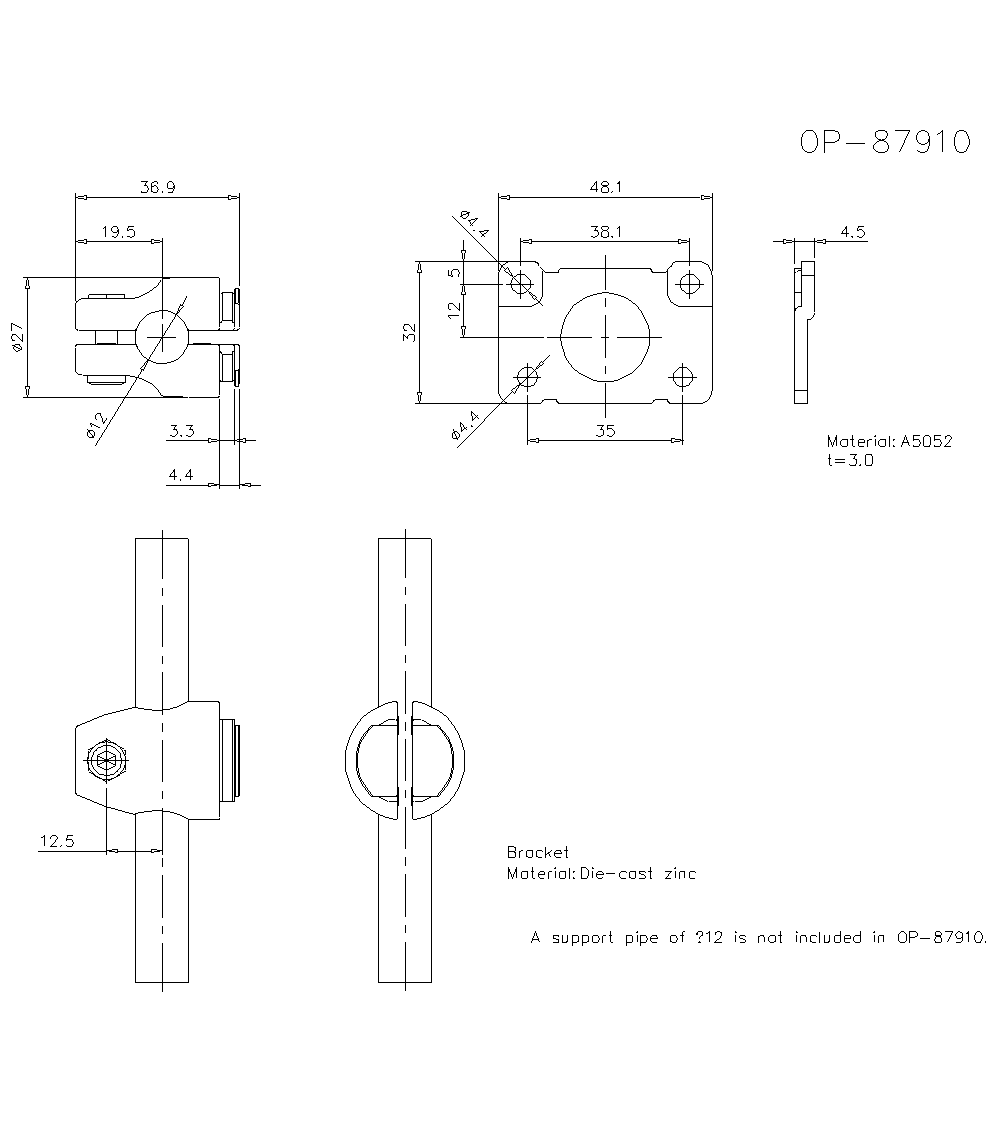
OP-87910 Dimension

iv-g_hg_camera_gd05_op87910_dimension_01.gif

IV-HG(CAMERA)/GD05/OP-87910 Dimension

iv-g_hg_camera_gd10_op87910_dimension_01.gif

IV-HG(CAMERA)/GD10/OP-87910 Dimension

iv-g_hg_camera_op87910_dimension_01.gif

IV-G/HG/CAMERA/OP87910 Dimension