Abmessungen

* Wenn der Text schwierig zu lesen ist, lesen Sie bitte in den CAD-Daten oder in der Bedienungsanleitung nach.

ca-dxb3_dxr3_dxw3_02_dimension_01.gif

CA-DXB3 Dimension

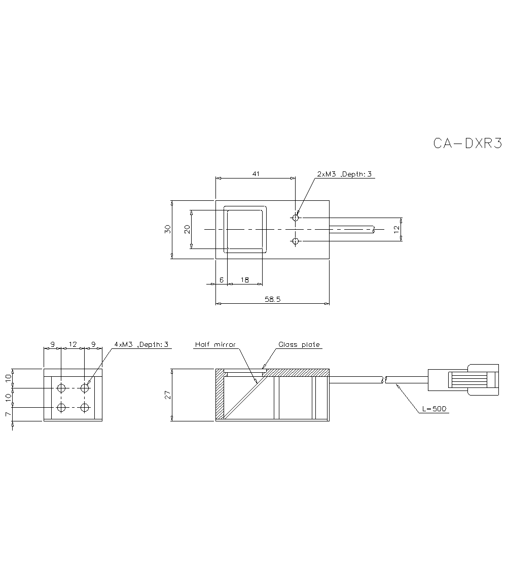
CA-DXR3 Dimension