Abmessungen

* Wenn der Text schwierig zu lesen ist, lesen Sie bitte in den CAD-Daten oder in der Bedienungsanleitung nach.

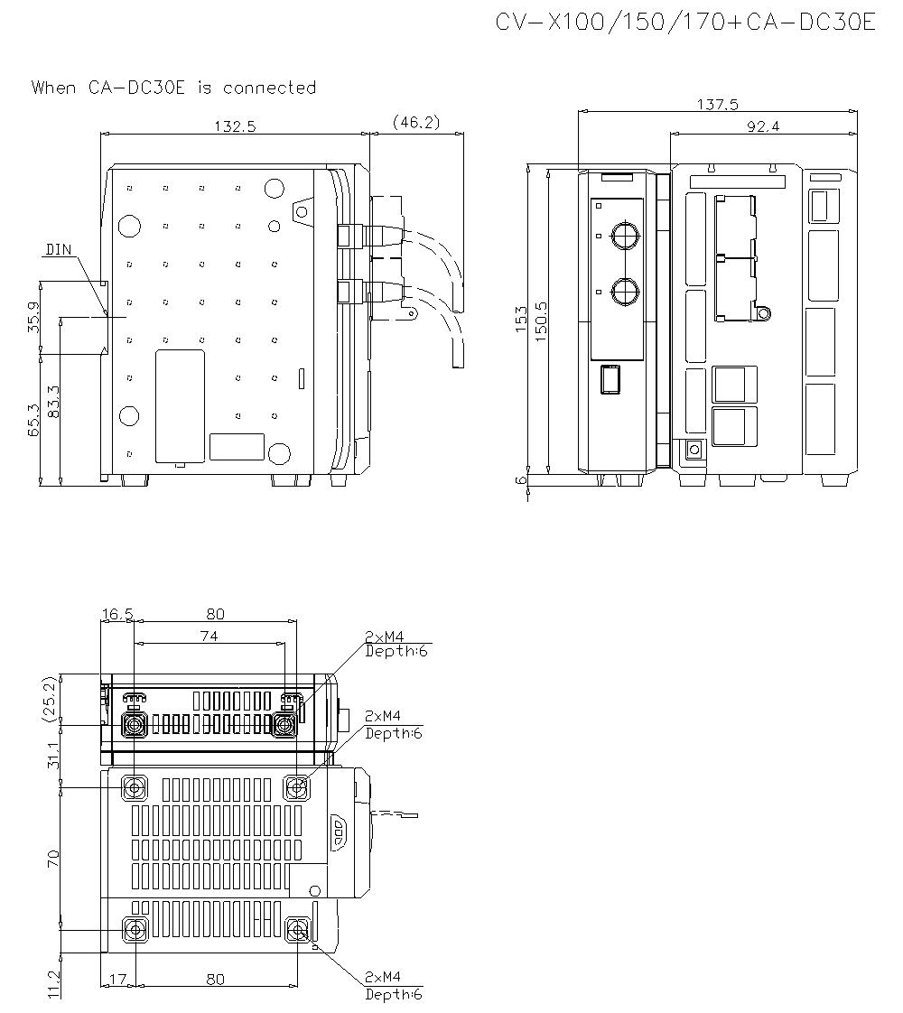
cv-x100_150_170_ca-dc30e_dimension_01.gif

CV-X100/150/170/CA-DC30E Dimension

CV-X100A Dimension