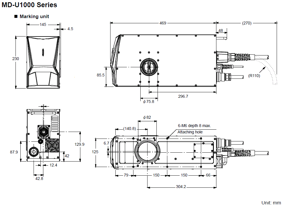
Dimensions

* En cas de difficultés à lire le texte, consultez les données CAO ou le manuel.

MDU1000-CONT Dimension

MDU1000-HEAD Dimension