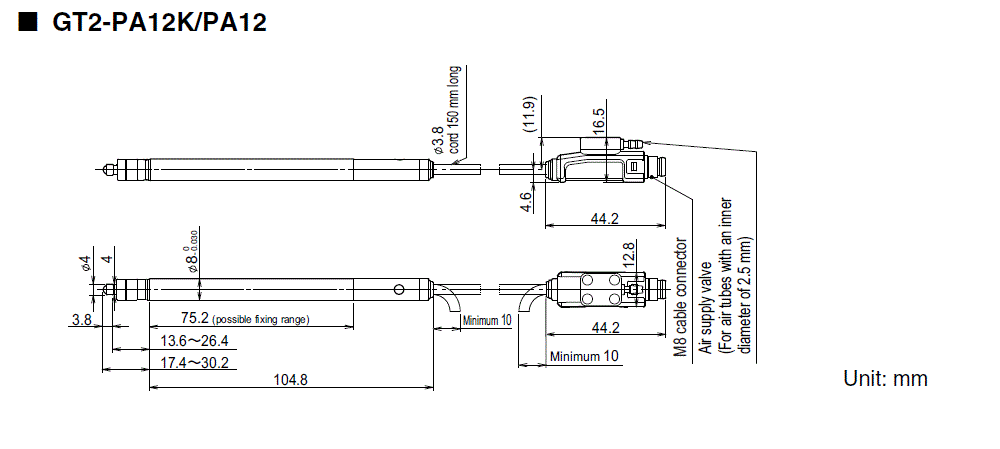
Dimensions

* En cas de difficultés à lire le texte, consultez les données CAO ou le manuel.

GT2-PA12_PA12K_dimension_01.gif

GT2-PA12/PA12K Dimension