Dimensions

* En cas de difficultés à lire le texte, consultez les données CAO ou le manuel.

IX-HEAD/OP/88343 Dimension

IX-HEAD/OP/88344 Dimension

IX-HEAD/OP/88345 Dimension

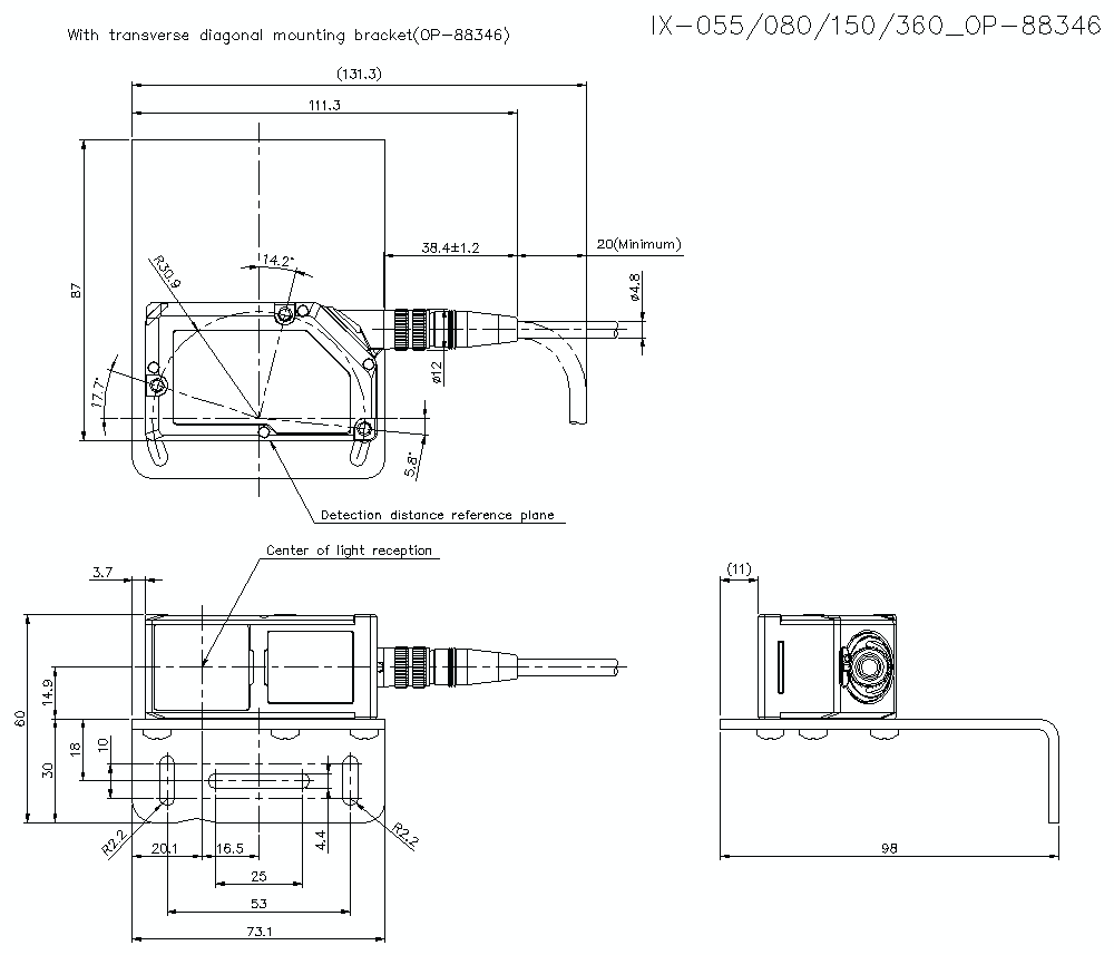
IX-HEAD/OP/88346 Dimension

IX-HEAD/OP/88347 Dimension

IX-SENSORHEAD Dimension

OP-88346_DIAGONAL_01 Dimension

OP-88346_DIAGONAL_02 Dimension