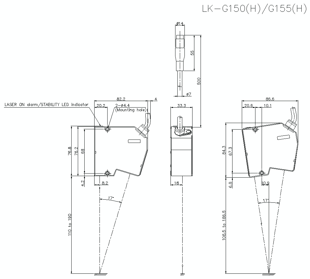
Dimensions

* En cas de difficultés à lire le texte, consultez les données CAO ou le manuel.

lk-g150_head_2_dimension_01.gif

LK-G150 Dimension