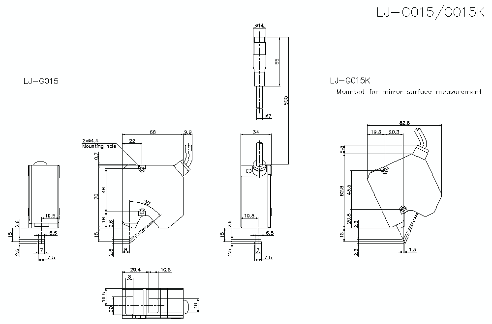
Dimensions

* En cas de difficultés à lire le texte, consultez les données CAO ou le manuel.

lj-g015_g015k_2_dimension_01.gif

LJ-G015 Dimension