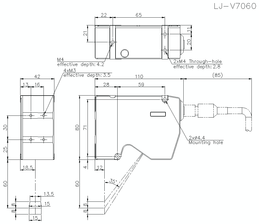
Dimensions

* En cas de difficultés à lire le texte, consultez les données CAO ou le manuel.

lj-v7060_dimension_01.gif

LJ-V7060 Dimension