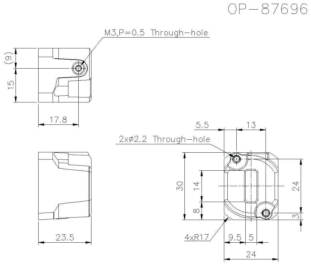
Dimensions

* En cas de difficultés à lire le texte, consultez les données CAO ou le manuel.

op-87696_dimension_01.gif

OP-87696 Dimension