Dimensions

* En cas de difficultés à lire le texte, consultez les données CAO ou le manuel.

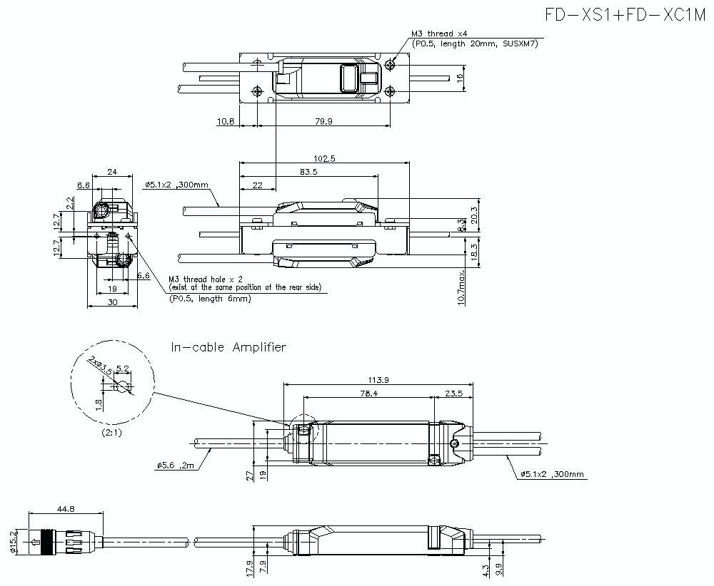
FD-XS1/FD-XC1M Dimension

FD-XS1/FD-XC1R1 Dimension

FD-XS1/FD-XC1R2 Dimension

FD-XS1/FD-XC1M/OP-88297 Dimension

FD-XS1/FD-XC1R1/OP-88294 Dimension

FD-XS1/FD-XC1R2/OP-88294 Dimension