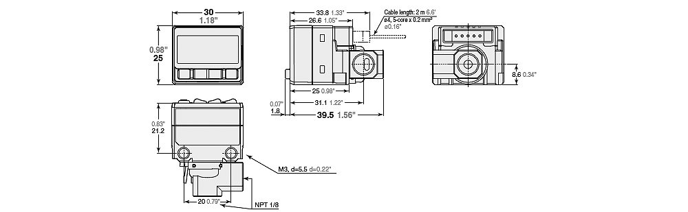
Dimensions

* En cas de difficultés à lire le texte, consultez les données CAO ou le manuel.

AP-C30_C31_C33_dimension_01.gif

AP-C30/C31/C33 Dimension